Cross Roller Bearings

CRBT crossed roller bearings

CRBT crossed roller bearings are specifically designed for space-constrained high-precision applications,featuring an integral ultra-thin inner and outer ring structure with precision-ground raceways and 90° orthogonal "X"-shaped cylindrical rollers. They can simultaneously bear radial,axial,and moment loads,with excellent compactness,high rigidity,and low-noise performance. The ultra-thin design eliminates space limitations for small equipment,making them ideal for collaborative robots,special service robots,micro mechanical arms,precision instruments,and other devices requiring reliable load-bearing and precise rotation. They fully meet international technical standards and can replace imported bearings of brands such as IKO/THK.

Accuracy:P5,P4,P2

Size:Inner Diameter:10–100 mm;OuterDiameter:21–111 mm;Cross-section Height:5mm

Materials:Bearing Rings & Rollers:GCr15 high-carbon chromium steel (surface hardness HRC 60-62) or SUS440C stainless steel (corrosion-resistant);Cages:Nylon 66 (lightweight,low friction,low noise),brass (high strength,wear-resistant),or custom composite materials

Sealing Options:Open Type:Requires regular external lubrication,suitable for clean and low-dust precision equipment environments; Contact Rubber Seals (UU/U):Dustproof and splash-proof,suitable for complex working conditions such as industrial sites and humidity

Delivery:Standard models:7–15 days;Customized models:Please contact the manufacturer.

 


Techspecs

Cross Roller Bearing CRBT Series
Shaftdia(mm)NB NumberBoundary dimensions(mm)MountingBasic dynamicBasic staticMass
dimensions (mm)
load rating cload rating C0(Ref.)g
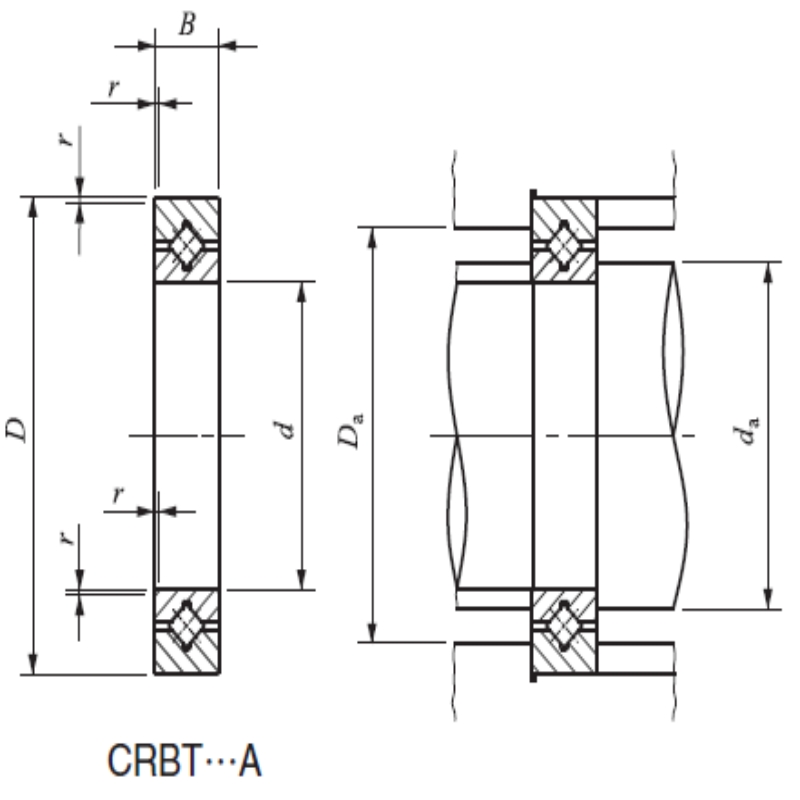
dDBrmindaDaNN
10NB.CRBT105102150.1512.51711208119
15NB.CRBT155152650.1517.5221320111011.9
20NB.CRBT205203150.1522.5271400129014.8
25NB.CRBT255253650.1527.5321650177018
30NB.CRBT305304150.1532.5371770197020.7
35NB.CRBT355354650.1537.5422050242024
40NB.CRBT405405150.1542.5472200252026.5
45NB.CRBT455455650.1547.5522300309029
50NB.CRBT505506150.1552.5572280320032.3
55NB.CRBT555556650.1557.5622530379035
60NB.CRBT605607150.1562.5672630409038
65NB.CRBT655657650.1567.5722710429041
70NB.CRBT705708150.1572.5772810468044
75NB.CRBT755758650.1577.5822900505047
80NB.CRBT805809150.1582.5873050543050
85NB.CRBT855859650.1587.5923110570053
90NB.CRBT9059010150.1592.5973190603056
95NB.CRBT9559510650.1597.51023220631059
100NB.CRBT100510011150.15102.51073370663061


Description

Design Principles: The 90° orthogonal crossed arrangement of rollers forms symmetrical "X"-shaped contact lines, evenly distributing radial, axial, and moment loads, avoiding local stress concentration, and adapting to the composite load requirements of compact equipment. The integral ultra-thin design of inner and outer rings reduces assembly steps and cumulative errors, enhances system rigidity and rotational accuracy, and maximizes the compression of installation space. Performance Features: Extremely Ultra-thin: Minimum cross-section height of only 6 mm, breaking space limitations and adapting to the compact layout of micro devices. High Precision and Rigidity: P2-class precision meets micron-level positioning requirements, and the crossed roller layout enhances deformation resistance by more than 2.5 times. Low-noise Operation: Precision polishing of roller end faces (Ra≤0.1μm) + low-friction cage design, operating noise ≤45 dB, suitable for noise-sensitive scenarios. Long Service Life and Stability: Surface hardening treatment of GCr15 material increases fatigue life by 30%, ensuring long-term reliable operation of precision equipment. Customization Options: Supports non-standard ultra-thin size customization, hybrid design with ceramic rollers, corrosion-resistant material (SUS440C), special low-noise lubrication solutions, and vacuum/high-temperature adaptive versions.
CRBT crossed roller bearings

Features

Core Advantage of Ultra-thin Compactness

Minimum 6 mm cross-section height, significantly saving installation space, perfectly adapting to space-constrained scenarios such as collaborative robots and micro devices.

High Precision and Low Noise

P2-class micron-level positioning accuracy + ≤45 dB low-noise operation, meeting the stringent requirements of precision equipment and service robots.

Convenient and Efficient Installation

Integral inner and outer ring structure, no complex assembly, compatible with standard interference fits, shortening the installation cycle and reducing labor costs.

Composite Load Bearing

A single bearing simultaneously bears radial, axial, and moment loads, simplifying the structural design of micro devices and improving system integration efficiency.

Cost-effective Import Substitute

Independently researched, developed and manufactured in China, technical indicators are aligned with world-class brands, with stable supply and procurement costs 30%-50% lower than imported products.

Working Principle

CRBT crossed roller bearings
CRBT crossed roller bearings are specifically designed for space-constrained high-precision applications,featuring an integral ultra-thin inner and outer ring structure with precision-ground raceways and 90° orthogonal "X"-shaped cylindrical rollers.They can simultaneously bear radial,axial,and moment loads,with excellent compactness,high rigidity,and low-noise performance. Performance Features: Extremely Ultra-thin:Minimum cross-section height of only 6 mm,breaking space limitations and adapting to the compact layout of micro devices.High Precision and Rigidity:P2-class precision meets micron-level positioning requirements,and the crossed roller layout enhances deformation resistance by more than 2.5 times.Low-noise Operation:Precision polishing of roller end faces (Ra≤0.1μm) + low-friction cage design,operating noise ≤45 dB,suitable for noise-sensitive scenarios. Long Service Life and Stability: Surface hardening treatment of GCr15 material increases fatigue life by 30%,ensuring long-term reliable operation of precision equipment.Customization Options:Supports non-standard ultra-thin size customization,hybrid design with ceramic rollers,corrosion-resistant material (SUS440C),special low-noise lubrication solutions,and vacuum/high-temperature adaptive versions.

Application & Case

CRBT crossed roller bearings are specifically designed for space-constrained high-precision applications,featuring an integral ultra-thin inner and outer ring structure with precision-ground raceways and 90° orthogonal "X"-shaped cylindrical rollers. They can simultaneously bear radial,axial,and moment loads,with excellent compactness,high rigidity,and low-noise performance.They are applied in Industrial & Collaborative Robots,Precision Positioning Systems,Aerospace & Defense Systems,Automation & Inspection Equipment,Compact Turntables & Slewing Units

Industrial & Collaborative Robots

Robot arm joints (wrist,elbow,shoulder)

Harmonic drive support bearings

Compact rotary actuators

CRBT bearings provide high moment stiffness and smooth rotation in a very slim profile,ideal for robotic joints.

Precision Positioning Systems

High-accuracy rotary stages

Indexing units

Aerospace & Defense Systems

UAV camera stabilizers

Satellite antenna gimbals

Inertial navigation platforms

CRBT bearings offer lightweight construction with excellent resistance to combined loads.

Automation & Inspection Equipment

Vision-inspection rotaries

Pick-and-place positioning units

Precision assembly machines

The thin structure helps reduce overall machine size while maintaining stiffness.

Compact Turntables & Slewing Units

Small slewing mechanisms

Pan-tilt units

Compact indexing tables

CRBT bearings provide slewing-type performance in a much smaller footprint.

 


FAQ

CRBT takes "ultra-thin cross-section" as its core advantage,with a minimum cross-section of only 6 mm,focusing on space-constrained scenarios;CRBH is a conventional ultra-thin design (minimum 8 mm),focusing on general compact requirements.The selection depends on the equipment space margin and load requirements.
It is suitable for noise-sensitive scenarios such as collaborative robots,medical service robots,and laboratory precision instruments.The noise is ≤45 dB under normal speed,which can meet the silent operation requirements.
Usually 6-10 weeks.Specifically,it needs to be determined according to the processing difficulty of ultra-thin sizes,material supply and production schedule.Urgent production services are supported.
Bearings made of SUS440C stainless steel should be selected,matched with special corrosion-resistant grease and UU/U sealing type,to improve the service life and stability of the bearing in humid and corrosive medium environments.

Customize large scale machinery parts with affordable cost

NewBee Machinery provides high quality shaft, bearing, gears, CNC machines and other customized mining machinery.

20 Year Experience

NewBee Machinery has 20 years’ experience in customize machinery parts.

Professional R&D Team

Professional and effective research and design team

Advanced Processing Equipment

We have advanced large CNC centner and processing equipment.

Competitive Price

NewBee Machinery provides cost effective products for global customers.

Send an Inquiry

If you are looking for customized machinery parts, precision bearings or CNC Machinery, feel free to contact us and our team will reply within 48 hours.

Do You Have Any Questions!

Luoyang City, Henan, China

RELATED PRODUCTS

WhatsApp sales@newbeetrans.com +8615090185276